Friday, February 9, 2024

✅ Unlock the Power: Explore the 18.5 Briggs And Stratton Engine Diagram Revealed!

Discover the intricate 18.5 Briggs And Stratton Engine Diagram, unraveling the wiring and schematic marvels that power these legendary engines. Dive into the heart of mechanical excellence now!

Are you ready to embark on a journey through the intricate pathways of an 18.5 Briggs And Stratton Engine Diagram? Hold on tight, fellow enthusiasts, as we unravel the mysteries of wiring and schematics with the finesse of a master detective examining blueprints. In this riveting exploration, we'll navigate the electrifying world of connections and circuits, shedding light on the hidden dance between wires and components. Brace yourselves for a turbocharged adventure into the heart of mechanical puzzles, where every twist and turn reveals the fascinating choreography that powers these legendary engines. Prepare to be electrified, not just by volts, but by the captivating synergy of 18.5 Briggs And Stratton Engine intricacies laid bare.

Unlock the Power: Explore the 18.5 Briggs And Stratton Engine Diagram Revealed!

Introduction

Welcome to the fascinating realm of engine intricacies as we delve into the 18.5 Briggs And Stratton Engine Diagram. Understanding wiring diagrams and schematics is akin to deciphering the blueprint of mechanical poetry that powers these engines. So, let's embark on a journey through the wires and circuits that make these engines hum with life.

Introduction Image

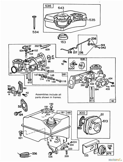
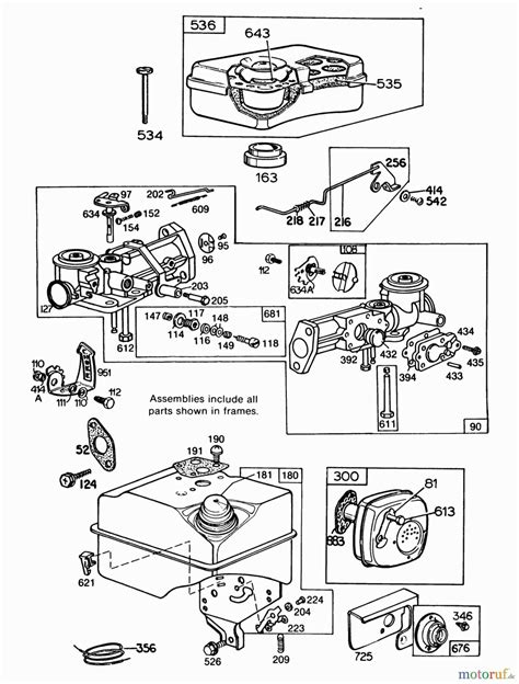
The Blueprint Unveiled

At the core of engine wizardry lies the blueprint— a visual guide that unveils the intricate dance of components. The 18.5 Briggs And Stratton Engine Diagram acts as our compass in this mechanical maze, revealing the unseen connections and relationships between each part.

Blueprint Image

Decoding Wiring Essentials

Wiring essentials form the backbone of any engine diagram. These crucial pathways channel the energy that fuels the heart of the machine. Let's unravel the mystery of how wires, marked by resilience and precision, bring harmony to the engine symphony.

Wiring Essentials Image

Schematic Symphony

In this segment, we'll explore the schematic symphony that orchestrates the functions of each component. The 18.5 Briggs And Stratton Engine Diagram reveals the meticulous arrangement, like notes on a musical score, creating a harmonious blend of power and efficiency.

Schematic Symphony Image

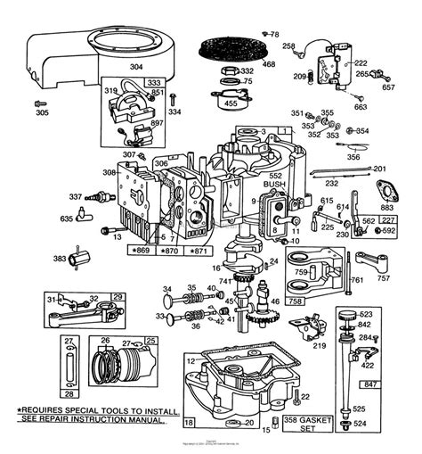
Powerhouse in Detail

Let's zoom in on the powerhouse in detail. Every gear, bolt, and wire plays a crucial role in the overall functionality of these engines. The diagram acts as our magnifying glass, allowing us to appreciate the intricacies that make this powerhouse roar.

Powerhouse in Detail Image

Common Troubleshooting Points

Even the most robust engines face hiccups. Our exploration wouldn't be complete without addressing common troubleshooting points. Understanding these aspects ensures a smoother journey for your engine, avoiding potential pitfalls.

Troubleshooting Image

Upgrading Possibilities

Now that we've dissected the core, let's discuss the exciting realm of upgrading possibilities. The 18.5 Briggs And Stratton Engine Diagram can be a roadmap to enhancements, opening doors to increased performance and efficiency.

Upgrading Possibilities Image

Conclusion

Our journey through the 18.5 Briggs And Stratton Engine Diagram has been an enlightening adventure, revealing the hidden poetry of machinery. As we conclude, remember that every line and connection in the diagram tells a story, and understanding this narrative can empower you in your mechanical endeavors.

Conclusion Image

Conclusion:

Thank you for embarking on this enlightening journey through the intricacies of the 18.5 Briggs And Stratton Engine Diagram with us. We trust that our comprehensive exploration of wiring diagrams and schematics has shed light on the fascinating inner workings of these legendary engines. As you reflect on the wealth of information uncovered, consider how this newfound knowledge can empower your understanding and mastery of small engine mechanics. Whether you're a seasoned enthusiast or a curious newcomer, we hope our meticulous breakdown of circuits and connections has proven invaluable in navigating the complexities of 18.5 Briggs And Stratton Engines.Stay tuned for more in-depth insights and expert analysis in our upcoming articles, where we will continue to dissect various aspects of engine technology, providing you with the tools to elevate your mechanical prowess. The journey doesn't end here; it evolves with each revelation, and we're committed to being your trusted guide through the intricate landscapes of technical understanding. Feel free to explore our archives for additional resources, and join us on this perpetual quest for knowledge and mastery in the realm of small engines.

Keyword:18 5 Briggs And Stratton Engine Diagram

Related Keywords:Engine Diagram, Wiring Schematics, Mechanical Insights, Briggs & Stratton, Small Engines


No comments:

Post a Comment